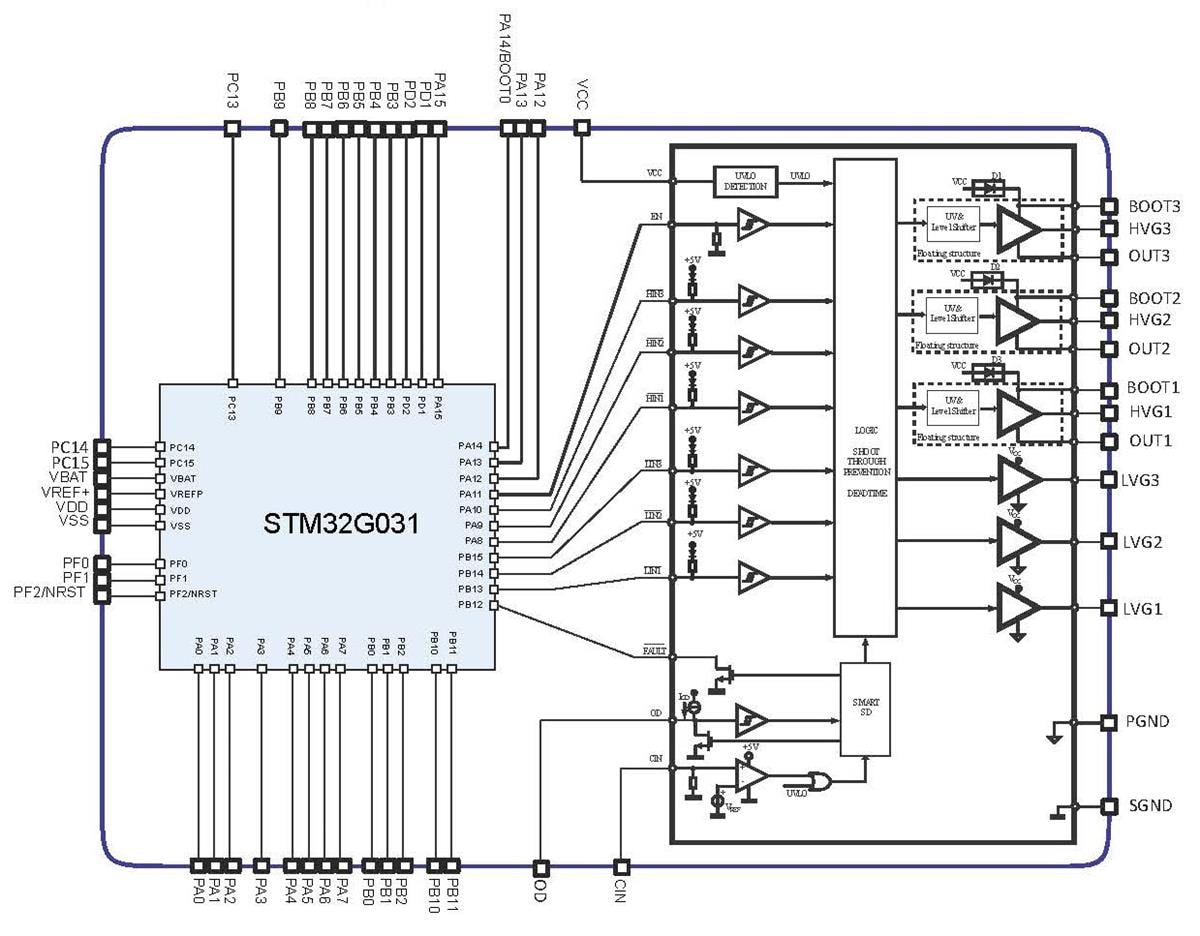
STMicroelectronics STSPIN32G060x 600V Three-Phase BLDC Controllers
STMicroelectronics STSPIN32G060x 600V Three-Phase BLDC Controllers are all-in-one packages for driving three-phase applications. The STMicro STSPIN32G060x includes an STM32G031x8x3 MCU with a 32-bit Arm® Cortex®-M0+ CPU. The device also includes a 600V triple half-bridge gate driver and a smartSD comparator for fast overload and overcurrent protection. The controllers integrate high-voltage bootstrap diodes, anti-cross-conduction, dead-time, and UVLO protection for efficient and safe operation. The MCU operates up to 64MHz and enhances security with a memory protection unit (MPU).Features
- Three-phase gate drivers
- High-voltage rail up to 600V
- dV/dt transient immunity ±50V/ns
- Gate driving voltage ranges from 9V to 20V
- Driver current capability
- 200/350mA source/sink current at 25°C (STSPIN32G0601)
- 1.00/0.85A source/sink current at 25°C (STSPIN32G0602)
- 32-bit Arm Cortex-M0+ MCU core
- Up to 64MHz clock frequency
- 8Kbyte SRAM with hardware parity check
- 64Kbyte flash memory with protection and secure area
- CRC calculation unit
- Up to 32 general-purpose I/O ports (GPIO)
- One advanced timer for motor control, 16-bit with up to 6 x PWM channels
- Five general-purpose timers (1x 32-bit)
- Two low-power timers
- 12-bit ADC converter (up to 15 channels) with 2MSps conversion rate
- 5-channel DMA controller with flexible mapping
- Internal high-precision voltage reference
- 2x I2C, 2x SPI, 3x UART and 1x low-power UART full set of interfaces
- Matched propagation delay for all channels
- Integrated bootstrap diodes
- Comparator for fast overcurrent protection
- UVLO, interlocking, and deadtime functions
- Smart shutdown (smartSD) function
- Standby mode for low power consumption
- On-chip debug support via SWD
- -40°C to +125°C extended temperature range
- QFN 10x10 72L pitch 0.5 creepage 1.8mm package
Applications
- Three-phase motor drivers
- Inverters
- Industrial appliances and fans
Videos
Block Diagram
Datasheets
Publicado: 2024-01-24
| Actualizado: 2025-08-12
