STMicroelectronics STGIPQ8C60T SLLIMM Nano 2nd Series IPM

STMicroelectronics STGIPQ8C60T SLLIMM™ Nano 2nd Series Intelligent Power Modules (IPM) are designed to permit a better and easy screw-on heatsink. These IPMs provide a compact, high-performance AC motor drive in a simple, and rugged design. The Small Low-Loss Intelligent Molded Module (SLLIMM) nano series IPM includes an operational amplifier for advanced current sensing and a comparator for fault protection against overcurrent. Typical applications include 3-phase inverters for motor drives, draining and recirculation pumps, heating systems, and air-conditioning fans.

Features

  • Internal bootstrap diode
  • Undervoltage lockout
  • Interlocking function
  • Smart shutdown function
  • 1500Vrms/min isolation rating
  • Op-amp for advanced current sensing
  • Comparator for fault protection against overcurrent
  • Optimized for low electromagnetic interference

Applications

  • 3-phase inverters for motor drives
  • Dishwashers
  • Refrigerator compressors
  • Heating systems
  • Air-conditioning fans
  • Draining and recirculation pumps

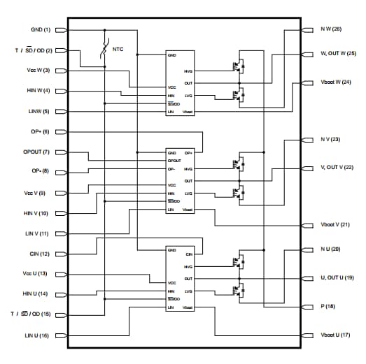
Internal Schematic and Pin Configuration

Mechanical Drawing - STMicroelectronics STGIPQ8C60T SLLIMM Nano 2nd Series IPM
Publicado: 2017-11-07 | Actualizado: 2025-12-01