STMicroelectronics TSX582 Dual Operational Amplifier

STMicroelectronics TSX582 Dual Operational Amplifier features high voltage and current capability, with internal protections against overtemperature and current overload. The unity-gain stable, dual-operational amplifier offers enhanced ESD and RF noise immunity.

The STMicroelectronics TSX582 Amp typically outputs up to 200mA per channel to drive low-resistance inductive loads such as angle resolvers, line-out cables, and piezo actuators. The two high-current output amplifiers of the TSX582 can drive loads directly in bridge-tied mode or connected in parallel, which doubles the output sink/source current.

The TSX582 is housed in a PowerSO-8 package with an exposed pad and is qualified for automotive applications in a temperature range of -40°C to +125°C.

Features

  • 5V to 16V supply voltage
  • 200mA high output current
  • Rail-to-rail output, low rail input
  • 3MHz gain-bandwidth product
  • 2V/μs high slew rate
  • Internal thermal shutdown and output current limiter
  • Enhanced RF noise immunity
  • 4kV HBM high tolerance to ESD
  • -40°C to +125°C extended temperature range
  • Automotive-grade
  • Low noise 45nV/√Hz at 1kHz
  • ICC (typ.) = 2.3mA
  • Unity gain stable
  • Low offset 2.4mV max. (25°C)/3mV max. (full temperature range)
  • Low input bias current

Applications

  • Servo driver
  • Valve driver
  • DC power supply, AC source
  • Portable instrumentation
  • Line drivers
  • Motor control
  • Angle resolver
  • LED driver
  • Industrial process control

Pin configuration

STMicroelectronics TSX582 Dual Operational Amplifier

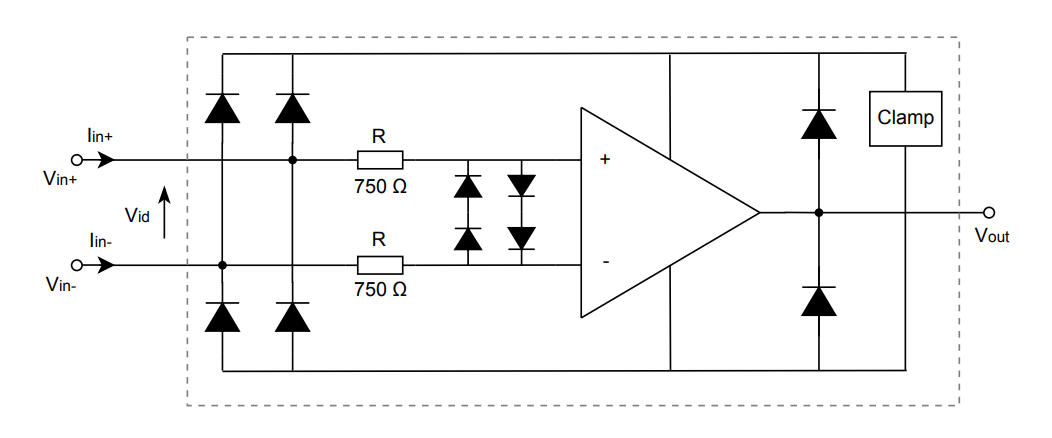
Equivalent internal ESD & input protection circuit

Location Circuit - STMicroelectronics TSX582 Dual Operational Amplifier
Publicado: 2025-03-24 | Actualizado: 2025-04-09