Swissbit X-60m Industrial mSATA SSDs

Swissbit X-60m Industrial mSATA Solid State Drives (SSD) are a robust non-volatile storage solution for embedded computing applications. The X-60m SSDs combine a SATA Gen III controller and Multi-Level Cell (MLC) NAND flash technology. These SSDs offer good performance and endurance with durabit™ technology. The X-60m SSDs feature dynamic and static wear-leveling, page mode Flash Translation Layer (FTL), data care management, and on-board power fail protection. These SSDs are available in capacities from 8GB to 480GB.

Features

  • Best-in-class performance and endurance with durabit technology
  • Dynamic and static wear leveling
  • Page mode FTL
  • Data care management
    • Active adaptive read-refresh
    • Passive background media scan
  • Lifetime enhancement
    • Dynamic bad block remapping
    • Write amplification reduction
  • Onboard power fail protection
  • AHCI, TRIM, and NCQ support
  • ATA security feature set support
  • DEVSLP compatible
  • In-field firmware update
  • Enterprise-grade Self-monitoring, Analysis, and Reporting Technology (S.M.A.R.T)
  • 30-µinch gold-plated connector (IPC-6012B  class 2 compliant)
  • Life cycle management
  • Controlled "Locked" BOM
  • RoHS-6 compliant
  • AES256 encryption (on request)
  • Swissbit Life Time Monitoring (SBLTM) tool and SDK for SBLTM (on request)

Specifications

  • Capacities
    • 8GB
    • 16GB
    • 30GB
    • 60GB
    • 120GB
    • 240GB
    • 480GB
  • Form factor
    • JEDEC MO-300A sized solid state drive (50.8mm x 29.85mm x 3.5mm)
    • 52-pin PCI Express (PCIe) mini-connector (SATA III)
  • SATA Rev 3.1 with 3Gb/s and 1.5Gb/s backward compatible compliance
  • Support ATA/ATAPI-8 and ACS-2 (2011/06/22)
  • Performance
    • Up to 600MB/s in SATA III with 6Gb/s burst transfer rate
    • Up to 520MB/s sequential read and random read IOPs up to 75000
    • Up to 450MB/s sequential write and random write IOPs up to 75000
  • Operating temperature range
    • 0°C to +70°C commercial
    • -40°C to +85°C industrial
  • 3.3V±5% operating voltage
  • Power (maximum capacity)
    • 1.5W read (active)
    • 3.2W write (active)
    • 380mW idle
    • 115mW slumber
  • 10 years at life begin and 1 year at life end data retention
  • 1500g/20g shock/vibration (MIL-STD810)
  • High-performance 32-bit processor with integrated and parallel flash interface engines:
    • Multi-Level Cell (MLC) NAND flash
    • Hardware BCH code Electronic Commerce Code (ECC) (up to 66-bit correction per 1KB page)
  • High reliability
    • Two million hours Mean Time Between Failure (MTBF)
    • Less than 1 non-recoverable error per 1016-bits read

Functional Block Diagram

Block Diagram - Swissbit X-60m Industrial mSATA SSDs

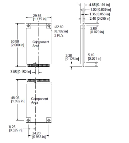
Mechanical Drawing

Mechanical Drawing - Swissbit X-60m Industrial mSATA SSDs
Publicado: 2019-03-08 | Actualizado: 2023-12-29