Taiwan Semiconductor MMSZ4X Zener Diodes

Taiwan Semiconductor MMSZ4X Zener Diodes feature constant voltage control, and polarity is indicated by the cathode band. These diodes offer matte tin-plated leads terminal solderable per J-STD-002 terminal and SOD-123 case. The MMSZ4X zener diodes provide a molding compound that meets UL 94V-0 flammability rating and is RoHS-compliant and Halogen-free. These diodes feature a level 1 moisture sensitivity level as per J-STD-020 and weigh 10.97mg (approximately). The MMSZ4X zener diodes operate at -55°C to 155°C temperature range and 50µA test current. These diodes are ideally used in general-purpose regulation and protection applications and high-density applications.

Features

  • Constant voltage control
  • Moisture sensitivity level: level 1, per J-STD-020
  • RoHS compliant
  • Halogen-free
  • SOD-123 case
  • Molding compound meets UL 94V-0 flammability rating
  • Matte tin-plated leads, solderable per J-STD-002 terminal
  • Polarity is indicated by the cathode band

Specifications

  • 500mW power dissipation
  • 20V zener voltage
  • 5% voltage tolerance
  • 50µA test current
  • 10.97mg (approximately) weight
  • 1.8V to 39V wide voltage range selection range
  • -55°C to 155°C temperature range

Applications

  • General-purpose regulation and protection applications
  • Small package size for high-density applications

Circuit Diagram

Application Circuit Diagram - Taiwan Semiconductor MMSZ4X Zener Diodes

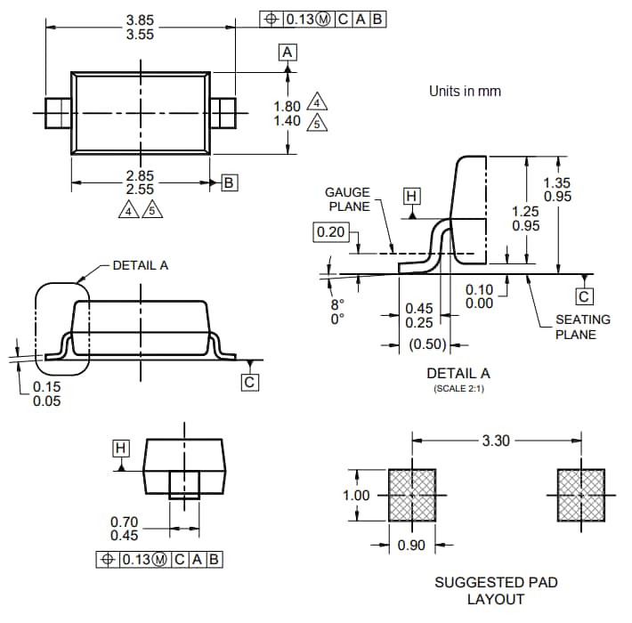
Dimension Diagram

Mechanical Drawing - Taiwan Semiconductor MMSZ4X Zener Diodes
View Results ( 39 ) Page
N.º de artículo Vz - Tensión del zener Altura Longitud Ancho Ir - Corriente inversa
MMSZ4678 RHG 1.8 V 1.25 mm 2.85 mm 1.8 mm 7.5 uA
MMSZ4679 RHG 2 V 1.25 mm 2.85 mm 1.8 mm 5 uA
MMSZ4680 RHG 2.2 V 1.25 mm 2.85 mm 1.8 mm 4 uA
MMSZ4681 RHG 2.4 V 1.25 mm 2.85 mm 1.8 mm 2 uA
MMSZ4682 RHG 2.7 V 1.25 mm 2.85 mm 1.8 mm 1 uA
MMSZ4683 RHG 3 V 1.25 mm 2.85 mm 1.8 mm 800 nA
MMSZ4684 RHG 3.3 V 1.25 mm 2.85 mm 1.8 mm 7.5 uA
MMSZ4685 RHG 3.6 V 1.25 mm 2.85 mm 1.8 mm 7.5 uA
MMSZ4686 RHG 3.9 V 1.25 mm 2.85 mm 1.8 mm 5 uA
MMSZ4687 RHG 4.3 V 1.25 mm 2.85 mm 1.8 mm 4 uA
Publicado: 2024-01-15 | Actualizado: 2024-01-24