Teledyne Relays E3PC Three-Phase Zero Cross Solid-State Relays

Teledyne Relays E3PC Three-Phase Zero Cross Solid-State Relays (SSRs) feature a high voltage handling capability with zero switching, allowing for effortless load management. The E3PC series offers an integrated snubber network and a built-in varistor to ensure robust transient protection. The SSRs provide over-temperature protection (OTP) with alarm output, IP20 back-of-hand protection, and an LED indicator for status visualization. The Teledyne Relays E3PC Three-Phase Zero Cross SSRs enhance reliability and load cycle capacity via three semiconductor power units and operate with up to a 690VAC voltage rating. The SSRs are ideal for various industrial applications, including plastic extrusion machines, thermoforming machines, electrical/soldering ovens, climatic chambers, and more.

Features

  • Three-phase SSR
  • Zero switching
  • High operation voltage
  • Integral snubber network
  • Built-in varistor
  • OTP with alarm output
  • IP20 back-of-hand protection
  • LED indicator visualizes control input and OTP alarm status
  • RoHS compliant

Applications

  • Plastic extrusion machines
  • Thermoforming machines
  • Coffee machines
  • Electrical ovens
  • Vending machines
  • Soldering ovens
  • Dryers
  • Climatic chambers
  • IR handling units
  • Plastic sealing machines
  • Shrink tunnels

Specifications

  • 24VAC to 660VAC operational voltage range
  • 45Hz to 65Hz operation frequency range
  • 800Vp to 1600Vp blocking voltage range
  • Overvoltage category III
  • 4VDC to 50VDC input control voltage range
  • 3.8VDC to 20VDC pick-up voltage range
  • 1.2VDC to 9VDC drop-out voltage range
  • ≤15mA to ≤23mA input current range
  • 25Arms to 75Arms rated operational current range at +25°C
  • 150mArms to 400mArms min operational load current range
  • <3mArms off-state leakage current rating
  • <1.6Vrms on-state voltage drop rating
  • -30°C to +80°C operating temperature range
  • -40°C to +100°C storage temperature range

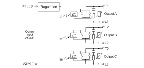
Connection Diagram

Application Circuit Diagram - Teledyne Relays E3PC Three-Phase Zero Cross Solid-State Relays

Dimensions (mm)

Chart - Teledyne Relays E3PC Three-Phase Zero Cross Solid-State Relays
Publicado: 2024-06-04 | Actualizado: 2024-06-13