Texas Instruments ADS131B23/Q1 Voltage & Temperature Measurement AFE

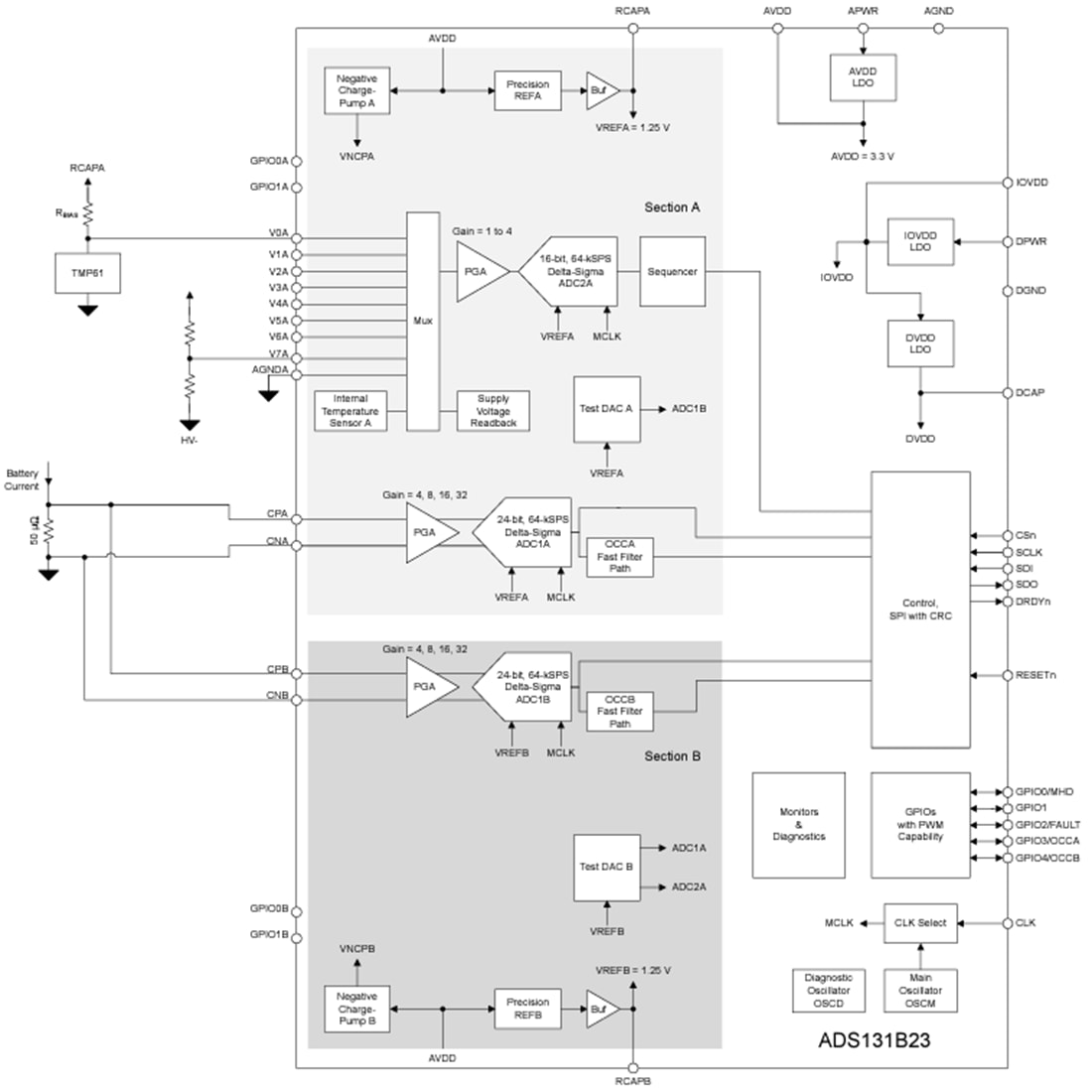
Texas Instruments ADS131B23/ADS131B23-Q1 Voltage and Temperature Measurement Analog Front End (AFE) is a complete AFE for industrial battery management systems (BMS). The device integrates two simultaneous-sampling, high-precision, 24-bit ADC channels (ADC1A, ADC1B) to redundantly measure battery current with high resolution and accuracy using an external shunt resistor. Two independent digital comparators enable fast overcurrent detection in parallel with the two ADCs.

An additional multiplexed, 16-bit ADC (ADC2A) is available to measure shunt temperature and other voltages in the system, such as battery-pack voltage, using external high-voltage resistor dividers. Shunt temperature is measured using an external temperature sensor, such as a thermistor or an analog output temperature sensor. ADC2A is equipped with a channel sequencer that automatically steps through the configured multiplexer inputs to reduce communication on the SPI.

The device integrates many monitoring and diagnostic features to mitigate and detect random hardware faults to aid in the development of functional, safe BMS. Internal linear regulators with an input range of up to 16V support powering the device with unregulated DC/DC converters. The Texas Instruments ADS131B23/ADS131B23-Q1 is offered in a 48-pin HTQFP package and is specified over the industrial temperature range of –40°C to +105°C. The ADS131B23-Q1 devices are AEC-Q100 qualified for automotive applications.

Features

  • Two simultaneous-sampling, 24-bit ADCs (ADC1A, ADC1B) for current-shunt measurements
    • Programmable full-scale range
      • ±39mV to ±312.5mV
      • Supports a wide range of shunt resistor values and current-measurement ranges
    • Achieve high-accuracy current-shunt measurements with
      • ±1.5µV (max) offset error
      • 25ppm/°C (max) gain drift
    • 500SPS to 64kSPS programmable data rate
    • Digital overcurrent comparator per ADC with programmable thresholds for fast overcurrent detection
  • One multiplexed, 16-bit ADC (ADC2A) for voltage and temperature measurements
    • Eight analog inputs
    • ±312.5mV to ±1.25V programmable full-scale range
    • Channel sequencer
  • Monitoring and diagnostic features to mitigate and detect random hardware faults
  • 2.9V to 16V supply-voltage range
  • SPI-compatible interface
  • 9 GPIOs with PWM capability

Applications

  • Battery energy storage systems (ESS)
    • Current-shunt measurements
    • Voltage measurements using external resistor dividers
    • Temperature measurements using thermistors or analog output temperature sensors

Functional Block Diagram

Block Diagram - Texas Instruments ADS131B23/Q1 Voltage & Temperature Measurement AFE
Publicado: 2023-02-03 | Actualizado: 2023-12-20