Texas Instruments DRV8300/DRV8300-Q1 3-Phase Gate Drivers
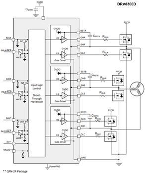
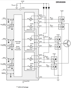
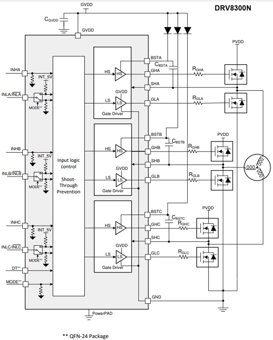
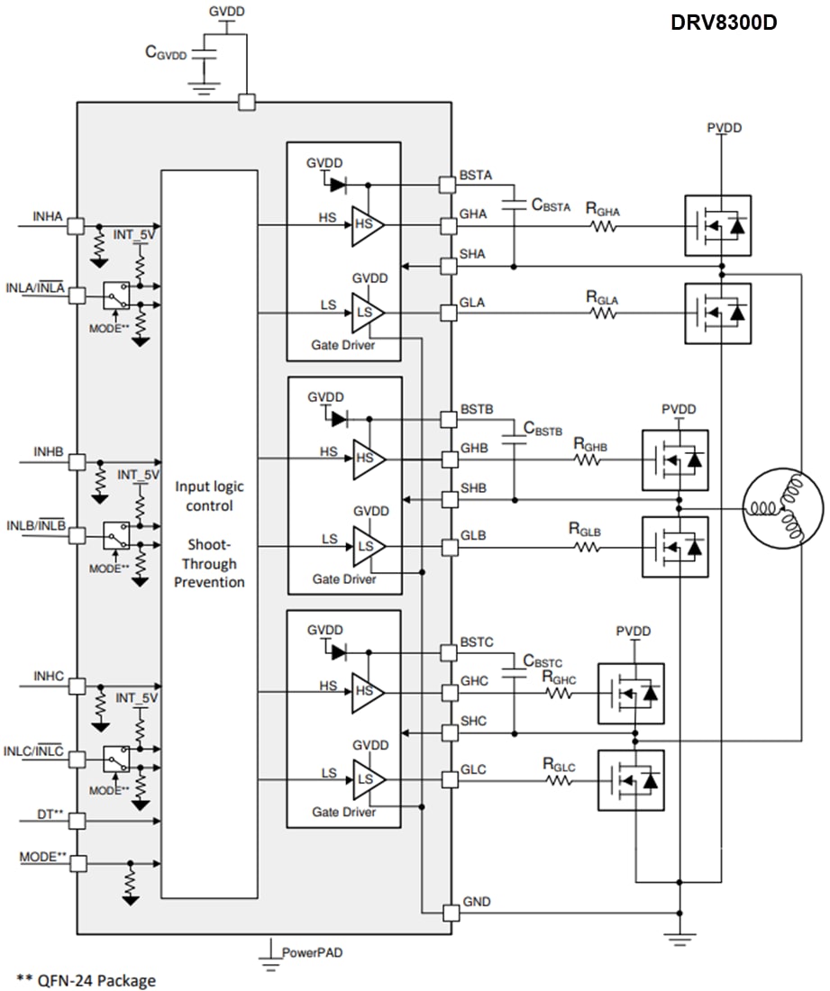
Texas Instruments DRV8300/DRV8300-Q1 3-Phase Gate Drivers provide three half-bridge gate drivers, each capable of driving high-side and low-side N-channel power MOSFETs. The DRV8300D/DRV8300D-Q1 generates the correct gate drive voltages using an integrated bootstrap diode and external capacitor for the high-side MOSFETs. The DRV8300N generates the correct gate drive voltages using an external bootstrap diode and external capacitor for the high-side MOSFETs. GVDD is used to generate gate drive voltage for the low-side MOSFETs. The Texas Instruments DRV8300/DRV8300-Q1 gate drive architecture supports peak up to 750mA source and 1.5A sink currents.The phase pins SHx can tolerate the significant negative voltage transients, while the high side gate driver supply BSTx and GHx can support higher positive voltage transients (115V) abs max voltage. This feature improves the robustness of the system. Small propagation delay and delay matching specifications minimize the dead-time requirement, further enhancing efficiency. Undervoltage protection is provided for both the low and high side through GVDD and BST undervoltage lockout. The DRV8300-Q1 devices are AEC-Q100 qualified for automotive applications.
Features
- A triple half-bridge gate driver
- Drives three high-side and three low-side N-Channel MOSFETs (NMOS)
- Integrated bootstrap diodes (DRV8300D devices)
- Supports inverting and non-inverting INLx inputs
- Bootstrap gate drive architecture
- 750mA source current
- 1.5A sink current
- Supports up to 15s battery-powered applications
- The low leakage current on SHx pins (< 55µA)
- Absolute maximum BSTx voltage up to 115V
- Supports negative transients up to -22V on SHx pins
- Built-in cross conduction prevention
- Adjustable dead-time through DT pin for QFN package variants
- Fixed deadtime insertion of 200nS for TSSOP package variants
- Supports 3.3V, and 5V logic inputs with 20V Abs Max
- 4nS typical propagation delay matching
- Compact QFN and TSSOP packages
- Efficient system design with power blocks
- Integrated protection features
- BST undervoltage lockout (BSTUV)
- GVDD undervoltage (GVDDUV)
Applications
- E-Bikes, E-Scooters, and E-Mobility
- Fans, pumps, and servo drives
- Brushless-DC (BLDC) motor modules and PMSM
- Cordless garden and power tools, lawnmowers
- Cordless vacuum cleaners
- Drones, robotics, and RC toys
- Industrial and logistics robots
Datasheets
Publicado: 2021-01-19
| Actualizado: 2022-05-20
