Texas Instruments INA250/INA250-Q1 Zero-Drift Current-Shunt Monitor

Texas Instruments INA250/INA250-Q1 Bi-Directional Zero-Drift Current-Shunt Monitor is a voltage-output, current-sensing amplifier that integrates an internal shunt resistor. This enables high-accuracy current measurements at common-mode voltages that can vary from 0V to 36V, independent of the supply voltage. Texas Instruments INA250/INA250-Q1 device is a bidirectional, low- or high-side current-shunt monitor. It allows an external reference to be used to measure the current flowing in both directions through the internal current-sensing resistor sensor. The integration of the precision current-sensing resistor provides calibration equivalent measurement accuracy with ultra-low temperature drift performance. It also ensures an optimized Kelvin layout for the sensing resistor is always obtained. The INA250-Q1 devices are AEC-Q100 qualified for automotive applications.

Features

  • Precision Integrated Shunt Resistor
    • 2mΩ shunt resistor
    • 0.1% (max) shunt resistor tolerance
    • 15A continuous from -40°C to +85°C
    • 0°C to +125°C temperature coefficient: 10ppm/°C
  • High Accuracy
    • 0.3% (max) gain error (shunt and amplifier)
    • 50mA (max, INA250A2) offset current
  • Four Available Gains
    • INA250A1: 200mV/A
    • INA250A2: 500mV/A
    • INA250A3: 800mV/A
    • INA250A4: 2V/A
  • -0.1V to 36V wide common-mode range
  • -40°C to +125°C operating temperature range

Applications

  • Test equipment
  • Power supplies
  • Servers
  • Telecom equipment
  • Automotive
  • Solar inverters
  • Power management

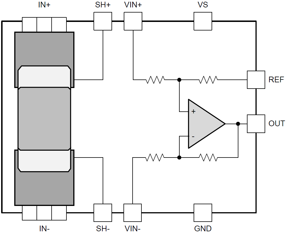
Functional Block Diagram

Block Diagram - Texas Instruments INA250/INA250-Q1 Zero-Drift Current-Shunt Monitor
Publicado: 2015-07-09 | Actualizado: 2025-05-29