Texas Instruments ISO7041DBQEVM Isolator Evaluation Module (EVM)
Texas Instruments ISO7041DBQEVM Isolator Evaluation Module (EVM) evaluates the ISO7041 low-power quad-channel digital isolator in a 16-pin SSOP package. The evaluation module features enough test points, a jumper option, and current sense capabilities for the user to evaluate the device with minimal external components. The evaluation module can be reconfigured to assess any Texas Instruments quad-channel digital isolators in a 16-pin SSOP (DBQ) package.Features
- Ultra-low-power consumption
- 4kV surge isolation
- 2Mbps
Kit Contents
- ISO7041DBQEVM evaluation module
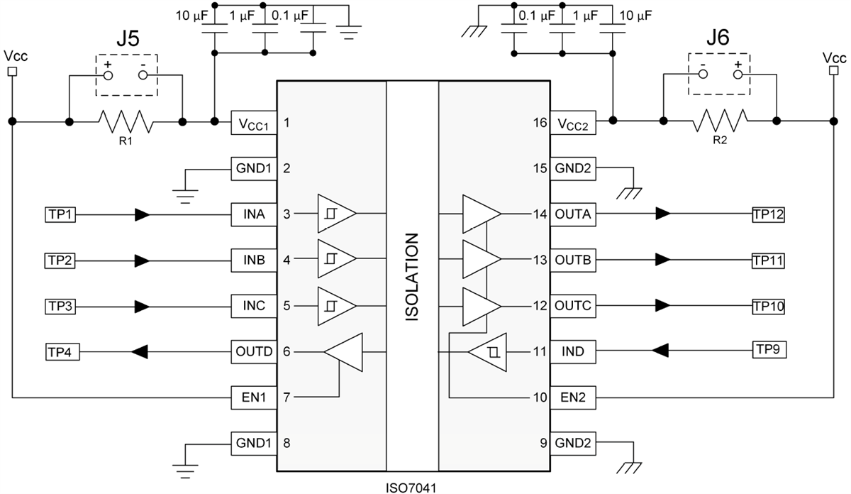
Block Diagram
Publicado: 2019-03-05
| Actualizado: 2025-03-13
