Texas Instruments LMR544xx SIMPLE SWITCHER® Power Converter

Texas Instruments LMR544xx SIMPLE SWITCHER® Power Converter is a wide-VIN, easy-to-use synchronous buck converter capable of driving up to 1A and 0.6A load current. With a wide input range of 4 V to 36 V, the device is suitable for a wide range of industrial applications for power conditioning from an unregulated source.

The Texas Instruments LMR544xx operates at a 1.1MHz switching frequency to support the use of relatively small inductors for an optimized solution size. It has a PFM version to realize high efficiency at light load and an FPWM version to achieve constant frequency and small output voltage ripple over the full load range. Soft-start and compensation circuits are implemented internally, which allow the device to be used with minimal external components.

The device has built-in protection features, such as cycle-by-cycle current limit, hiccup mode short-circuit protection, and thermal shutdown in case of excessive power dissipation.

Features

  • Functional Safety-Capable
    • Documentation available to aid functional safety system design
  • Configured for rugged industrial applications
    • 4V to 36V input voltage range
    • Withstands up to 50V short VIN transient
    • 0.6A/1A continuous output current
    • 60ns minimum switching on time
    • 1.1MHz fixed switching frequency
    • –40°C to 150°C junction temperature range
    • 98% maximum duty cycle
    • Monotonic start-up with pre-biased output
    • Short circuit protection with hiccup mode
    • Precision enable
    • ±1% tolerance voltage reference
  • Small solution size and ease of use
    • Integrated synchronous rectification
    • Internal compensation for ease of use
    • SOT-23 package
  • Pin-to-pin compatible with the LMR14010A, LMR50410, and TPS560430
  • Various options in a pin-to-pin compatible package
    • PFM and forced PWM (FPWM) options

Applications

  • Major appliances
  • PLC, DCS, and PAC
  • Smart meters
  • General-purpose wide VIN power supplies

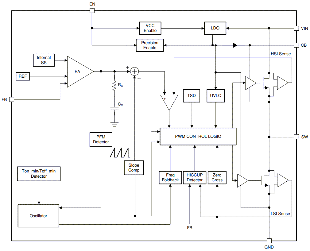
Functional Block Diagram

Block Diagram - Texas Instruments LMR544xx SIMPLE SWITCHER® Power Converter
Publicado: 2022-03-11 | Actualizado: 2022-09-12