Texas Instruments LMR62421 Step-Up Voltage Regulators

Texas Instruments LMR62421 SIMPLE SWITCHER® Step-Up Voltage Regulators are easy-to-use, space-efficient 2.1A low-side switch regulators ideal for Boost and SEPIC DC-DC regulation. LMR62421 offers all the active functions to provide local DC/DC conversion with fast- transient response and accurate regulation in the smallest PCB area. With a switching frequency that is internally set to 1.6MHz, LMR62421 enables the use of extremely small surface mount inductor and chip capacitors while providing efficiencies near 90%. Current-mode control and internal compensation provide ease-of-use, minimal component count, and high-performance regulation over a wide range of operating conditions. External shutdown features an ultra-low standby current of 80nA ideal for portable applications. Tiny 5-pin SOT-23 and 6-pin WSON packages provide space-savings. Additional features include internal soft-start, circuitry to reduce inrush current, pulse-by- pulse current limit, and thermal shutdown.

Features

  • Input Voltage Range of 2.7V to 5.5V
  • Output Voltage up to 24V
  • Switch Current up to 2.1A
  • 1.6MHz Switching Frequency
  • Low Shutdown Iq, 80nA
  • Cycle-by-Cycle Current Limiting
  • Internally Compensated
  • Internal Soft-Start
  • 5-Pin SOT-23 (2.92 x 2.84 x 1mm) and 6-Pin WSON (3 x 3 x 0.8mm) Packaging
  • Fully Enabled for WEBENCH® Power Designer

Applications

  • Boost / SEPIC Conversions from 3.3V, 5V Rails
  • Space Constrained Applications
  • Embedded Systems
  • LCD Displays
  • LED Applications

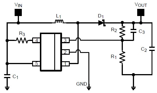
Typical Application Circuit

Texas Instruments LMR62421 Step-Up Voltage Regulators
Publicado: 2014-02-27 | Actualizado: 2022-03-11