Texas Instruments DAC161P997 16-Bit Delta-Sigma DAC
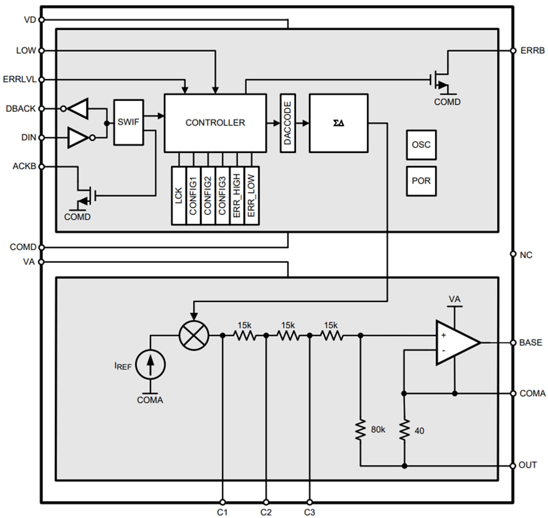
Texas Instruments DAC161P997 is a 16-bit Delta-Sigma Digital-to-Analog Converter (DAC) for transmitting an analog output current over an industry-standard 4-20mA current loop. DAC161P997 DAC offers 16-bit accuracy with a low output current temperature coefficient (29ppm/°C) and excellent long-term output current drift (90ppmFS) while consuming less than 190μA. The data link to the DAC161P997 is a Single Wire Interface that allows sensor data to be transferred in digital format over an isolation boundary using a single isolation component. The digital input of this DAC is compatible with standard isolation transformers and optocouplers. For applications where isolation is not required, the DAC161P997 interfaces directly to a microcontroller. The loop drive of the DAC161P997 interfaces to a HART (Highway Addressable Remote Transducer) modulator, allowing injection of FSK modulated digital data into the 4-20mA current loop. This combination of specifications and features makes the Texas Instruments DAC161P997 ideal for 2- and 4-wire industrial transmitters.Features
- 16-bit linearity
- Single-Wire Interface (SWIF), with a handshake
- Digital Data transmission (no loss of fidelity)
- Pin Programmable Power-Up Condition
- Self-adjusting to the input data rate
- Loop error detection and reporting
- Programmable output current error level
- No external precision components
- Simple interface to HART modulator
- Small package: LLP-16 (4x4 mm, 0.5 mm pitch)
Specifications
- Output Current Temp Coefficient: 29ppmFS/°C (max)
- Long-Term Output Current Drift: 90ppmFS (typ)
- INL: +3.3/−2.1μA (max)
- Total Supply Current: 190μA (max)
Applications
- Two-wire, 4-20mA current loop transmitter
- Industrial Process Control
- Actuator control
- Factory Automation
- Building Automation
- Precision Instruments
- Data Acquisition Systems
- Test Systems
Functional Block Diagram
Publicado: 2012-03-05
| Actualizado: 2022-03-11
