Texas Instruments OPA169x SoundPlus Dual Audio Op Amplifiers
Texas Instruments OPA169x SoundPlus™ Low-Power, Low-Noise, High-Performance Dual Bipolar-Input Audio Operational Amplifiers offer high-performance, low-power, and low-noise. The OPA169x provides a low 4.2nV/√Hz noise density and distortion of –127dB at 1kHz. The device features a rail-to-rail output swing to within 200mV of the power supplies with a 2kΩ load. This increases headroom and maximizes dynamic range. The OPA169x operational amplifiers operate over a wide supply range of ±1.75V to ±18V or 3.5V to 36V (on 650µA of supply current per channel). This allows excellent dynamic behavior over a wide range of load conditions and presents a unity-gain-stable device. Additionally, the OPA169x delivers a specified temperature range of –40°C to 125°C.Features
- 4.2nV/√Hz at 1kHz Low noise
- –127dB at 1kHz Low distortion
- 650µA per Channel low quiescent current
- 23V/µs Slew rate
- 5.1MHz Wide gain bandwidth
- Unity-gain stable
- Rail-to-Rail output
- ±1.75V to ±18V, or 3.5V to 36V Wide supply range
Applications
- Wireless microphones
- Wireless audio monitoring systems
- Portable radios and headsets
- Portable audio effects processors
- Portable recording systems
- USB Audio peripherals
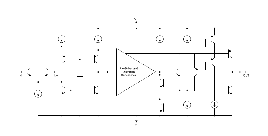
Block Diagram
Publicado: 2018-07-17
| Actualizado: 2022-12-07
