Texas Instruments SN74AC139-Q1 Dual 2-to-4 Line Decoder/Multiplexer

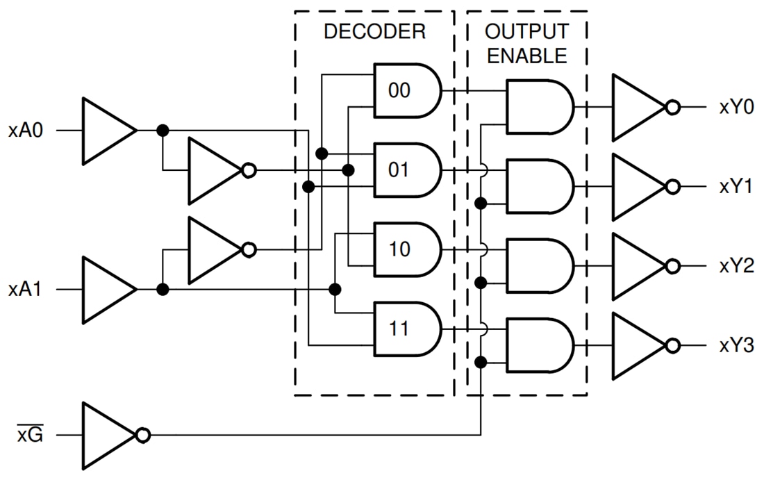
Texas Instruments SN74AC139-Q1 Dual 2-to-4 Line Decoder/Multiplexer contains dual two-to-four decoders with one active low-output strobe (G). When the outputs of one channel are gated by the strobe input (G = HIGH), the Texas Instruments SN74AC139-Q1 are all forced into the high state. When the strobe input does not disable the outputs (G = LOW), only the selected output is low, while all others are high.

Features

  • AEC-Q100 qualified for automotive applications
    • Device temperature grade 1 of -40°C to +125°C
    • Device HBM ESD classification level 2
    • Device CDM ESD classification level C4B
  • Available in wettable flank QFN package
  • Wide operating range of 1.5V to 6V
  • Inputs accept voltages up to 6V
  • Continuous ±24mA output drive at 5V
  • Supports up to ±75mA output drive at 5VIN short bursts
  • Drives 50Ω transmission lines
  • Maximum tpd of 9.5ns at 5V, 50pF load

Applications

  • Memory device selection with shared data bus
  • Route data
  • Reduce the required number of outputs for chip-select applications

Functional Block Diagram

Block Diagram - Texas Instruments SN74AC139-Q1 Dual 2-to-4 Line Decoder/Multiplexer
Publicado: 2025-03-24 | Actualizado: 2025-05-06