Texas Instruments SN74AHC595/SN74AHC595-Q1 Counter Shift Registers
Texas Instruments SN74AHC595/SN74AHC595-Q1 Counter Shift Registers contain an 8-bit serial-in, parallel-out shift register that provides an 8-bit D-type storage register. The storage register has parallel 3-state outputs. Separate clocks are supplied for both the shift and storage registers. The TI SN74AHC595/SN74AHC595-Q1 has a direct overriding clear (SRCLR) input, a serial (SER) input, and a serial output for cascading. When the output-enable (OE) input is high, all outputs, excluding QH′, are in the high-impedance state. The SN74ACH595-Q1 devices are AEC-Q100 qualified for automotive applications.Features
- Qualified for automotive applications (SN74ACH595-Q1)
- Operating range of 2V to 5.5V VCC
- 8-bit serial-in, parallel-out shift
- Latch-up performance exceeds 100mA per JESD 78, class II
- ESD protection exceeds JESD 22
- 2000V human-body model (A114-A)
- 1000V charged-device model (C101)
Applications
- Network switches
- Power infrastructures
- LED displays
- Servers
- Enable or disable a digital signal
- Controlling an indicator LED
- Translation between communication modules and system controllers
Datasheets
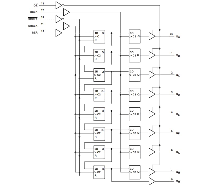
Logic Diagram (Positive Logic)
Publicado: 2024-07-19
| Actualizado: 2024-07-30
