Texas Instruments SN74HCS595/SN74HCS595-Q1 8-Bit Shift Register
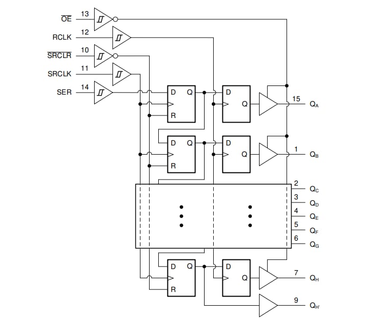
Texas Instruments SN74HCS595/SN74HCS595-Q1 Automotive 8-Bit Shift Register is a device that contains an 8-bit, serial-in, parallel-out shift register. The register feeds an 8-bit D-type storage register. All inputs include Schmitt triggers, eliminating any erroneous data outputs due to slow-edged or noisy input signals. The storage register has parallel 3-state outputs. Separate clocks are provided for both the shift and storage register. The Texas Instruments SN74HCS595-Q1 devices are AEC-Q100 qualified for automotive applications.Features
- Wide operating voltage range: 2V to 6V
- Schmitt-trigger inputs allow for slow or noisy input signals
- ±7.8mA output drive at 5V
- Low power consumption
- Typical ICC of 100nA
- Typical input leakage current of ±100nA
Applications
- Output expansion
- LED matrix control
- 7-segment display control
- 8-bit data storage
Datasheets
Block Diagram
Publicado: 2019-12-23
| Actualizado: 2024-02-13
