Texas Instruments SN74LV4051A/SN74LV4051A-Q1 Analog Mux & Demux

Texas Instruments SN74LV4051A / SN74LV4051A-Q1 General-Purpose Analog Multiplexers and Demultiplexers are 8-channel CMOS analog multiplexers and demultiplexers that are designed for 1.65V to 5.5V VCC operation. The SN74LV4051A / SN74LV4051A-Q1 devices handle both analog and digital signals. Each channel permits signals with amplitudes up to 5.5V (peak) to be transmitted in either direction. Applications include signal gating, chopping, modulation or demodulation (modem), and signal multiplexing for analog-to-digital and digital-to-analog conversion systems. The Texas Instruments SN74LV4051A-Q1 devices are AEC-Q100 qualified for automotive applications.

Features

  • 1.65V to 5.5V VCC operation
  • Support mixed-mode voltage operation on all ports
  • High on-off output-voltage ratio
  • Low crosstalk between switches
  • Individual switch controls
  • Extremely low input current
  • Latch-up performance exceeds 100mA per JESD 78, class II
  • ESD protection exceeds JESD 22
    • 2000V human-body model (A114-A)
    • 200V machine model (A115-A)
    • 1000V charged-device model (C101)

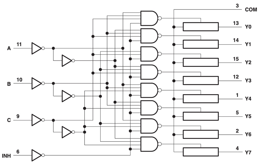
Logic Diagram (Positive Logic)

Location Circuit - Texas Instruments SN74LV4051A/SN74LV4051A-Q1 Analog Mux & Demux
Publicado: 2024-11-05 | Actualizado: 2025-03-27