Texas Instruments SN74LV8T139-EP 2-to-4 Line Decoder/Demultiplexer
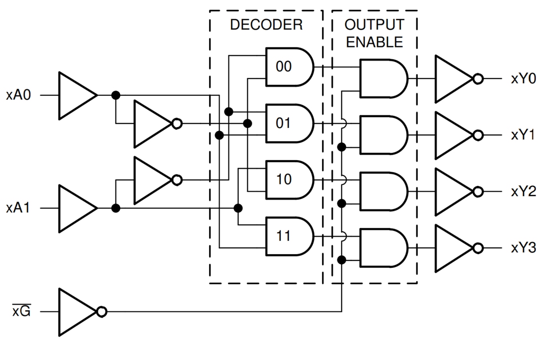
Texas Instruments SN74LV8T139-EP 2-to-4 Line Decoder/Demultiplexer contains two 2-to-4 decoders with one active low-output strobe (G). When the outputs of one channel are gated by the strobe input, the outputs are all forced into the high state. When the outputs are not disabled by the strobe input, only the selected output is low, while all others are high. The Texas Instruments SN74LV8T139-EP devices have gold bond wires, a temperature range of –55 to +105°C, and an SnPb lead finish.Features
- Wide operating range of 1.65V to 5.5V
- 5.5V tolerant input pins
- Single-supply voltage translator
- Up translation
- 1.2V to 1.8V
- 1.5V to 2.5V
- 1.8V to 3.3V
- 3.3V to 5.0V
- Down translation
- 5.0V, 3.3V, 2.5V to 1.8V
- 5.0V, 3.3V to 2.5V
- 5.0V to 3.3V
- Up translation
- Up to 150Mbps with 5V or 3.3V VCC
- Supports standard function pinout
- Latch-up performance exceeds 250mA per JESD 17
- Supports defense and aerospace applications
- Controlled baseline
- One assembly and test site
- One fabrication site
- Extended product life cycle
- Product traceability
Applications
- Enable or disable a digital signal
- Controlling an indicator LED
- Translation between communication modules and system controllers
Logic Diagram (Positive Logic)
Publicado: 2025-04-07
| Actualizado: 2025-04-11
