Texas Instruments SN74LVC595A Shift Register

Texas Instruments SN74LVC595A Shift Register is an 8-bit serial-in, parallel-out shift register that feeds an 8-bit D-type storage register. This storage register features parallel 3-state outputs and independent clocks for both shift and storage registers. The SN74LVC595A register operates at a 1.1V to 3.6V supply voltage range and -65°C to 150°C junction temperature range. This shift register is ideal for network switches, power infrastructures, LED displays, and servers.

Features

  • 1.1V to 3.6V junction operating range
  • Over-voltage tolerant inputs support up to 5.5V independent of VCC
  • Supports partial-power-down with back drive protection (Ioff)
  • -65°C to 150°C junction temperature range
  • High push-pull output drive strength:
    • ±24mA at 3.3V
    • ±8mA at 2.3V
    • ±4mA at 1.65V
  • Latch-up performance exceeds 250mA per JESD78

Applications

  • Network switches
  • Power infrastructures
  • LED displays
  • Servers

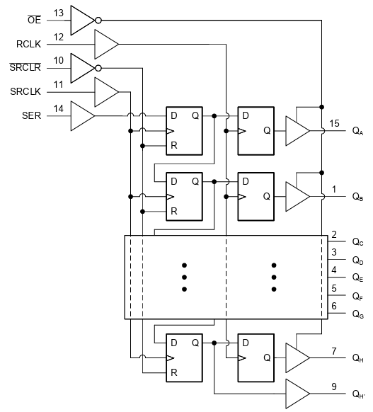
Logic Block Diagram

Block Diagram - Texas Instruments SN74LVC595A Shift Register

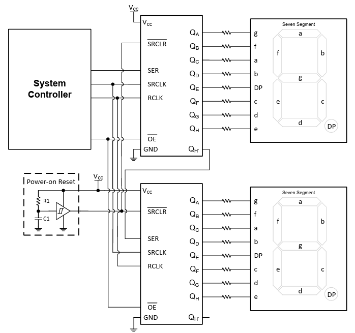
Application Block Diagram

Application Circuit Diagram - Texas Instruments SN74LVC595A Shift Register
Publicado: 2026-01-14 | Actualizado: 2026-01-29