Texas Instruments SN74LXC8T245/SN74LXC8T245-Q1 Dual Transceivers

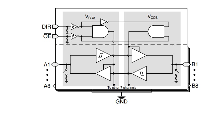
Texas Instruments SN74LXC8T245/SN74LXC8T245-Q1 Dual-Supply Transceivers are 8-bit, non-inverting bidirectional voltage level translation devices. Ax pins and control pins (DIR and OE) are referenced to VCCA logic levels, and Bx pins are referenced to VCCB logic levels. The A port can accept I/O voltages ranging from 1.1V to 5.5V, while the B port can accept I/O voltages from 1.1V to 5.5V. A high on DIR allows data transmission from A to B, and a low on DIR provides data transmission from B to A when OE is set to low. When OE is set to high, Ax and Bx pins are in the high-impedance state.

The TI SN74LXC8T245-Q1 Automotive Dual-Supply Transceivers operate from –40°C to +125°C and are AEC-Q100 qualified for automotive applications. These devices are available in TSSOP 24-pin and VQFN 24-pin packages.

Features

  • A fully configurable dual-rail design allows each port to operate from 1.1V to 5.5V
  • Robust, glitch-free power supply sequencing
  • Up to 420Mbps support for 3.3V to 5.0V
  • Schmitt-trigger inputs allow for slow or noisy inputs
  • I/O's with integrated dynamic pull-down resistors help reduce external component count
  • Control inputs with integrated static pull-down resistors allow for floating control inputs
  • High drive strength (up to 32mA at 5V)
  • Low power consumption
    • 4µA maximum (25°C)
    • 12µA maximum (-40°C to 125°C)
  • VCC isolation and VCC disconnect (Ioff-float) feature
    • If either VCC supply is < 100 mV or disconnected, all I/O's get pulled down and then become high-impedance
  • Ioff supports partial-power-down mode operation
  • Compatible with LVC family-level shifters
  • The control logic (DIR and OE) are referenced to VCCA
  • Operating temperature from -40°C to +125°C
  • Latch-up performance exceeds 100mA per JESD 78, class II
  • ESD protection exceeds JESD 22
    • 4000V human-body model
    • 1000V charged-device model

Applications

  • Eliminate slow or noisy input signals
  • Driving indicator LEDs or buzzers
  • Debouncing a mechanical switch
  • Infotainment head unit
  • ADAS fusion

Simplified Schematic

Texas Instruments SN74LXC8T245/SN74LXC8T245-Q1 Dual Transceivers
Publicado: 2020-12-16 | Actualizado: 2024-10-18