Texas Instruments TPD3S713x-Q1 USB 2.0 Interface Protection IC
Texas Instruments TPD3S713x-Q1 USB 2.0 Interface Protection IC is a single-chip solution for short-to-battery, short-circuit, and ESD protection. These devices are designed for high-speed data and power lines in an automotive USB hub, head unit, telematics, and media interface applications. The integrated data switches provide best-in-class bandwidth for minimal signal degradation during USB short-to-battery events. The high bandwidth of 1.2GHz allows for a clean USB 2.0 high-speed 480Mbps eye diagram with the long captive cables common in the automotive USB environment.The short-to-battery protection isolates the internal system circuits from overvoltage conditions at the VBUS, DP_IN, and DM_IN pins. On these pins, the Texas Instruments TPD3S713x-Q1 can handle overvoltages up to 18V for hot plug and DC events and shut off the internal switches to the upstream transceiver from harmful voltage and current spikes. The VBUS pin also provides an adjustable current limited load switch from 50mA to 600mA, which offers flexibility and saves the system power budget when the port requires only several tens of milliamperes.
The TPD3S713-Q1 device has a current-sense output that can control an upstream supply, which allows it to maintain 5V at the remote USB port connected after long USB cables.
Features
- AEC-Q100 qualified for automotive applications
- Device temperature grade 1 (–40°C to +125°C ambient operating temperature range)
- Device HBM ESD classification level H2
- Device CDM ESD classification level C5
- Short-to-battery (up to 18V) and short-to-ground protection on VBUS pin
- Short-to-battery (up to 18V) and short-to-VBUS protection on DM_IN, DP_IN pins
- DP_IN and DM_IN IEC 61000-4-2 rated
- ±8kV contact and ±15kV air discharge
- High-speed data switches (1230MHz BW)
- 4.5V to 5.5V input operating range
- 50mA to 600mA adjustable current limit (±13.5% at 200mA)
- Integrated 73mΩ (typical) high-side MOSFET
- 500mA maximum continuous output current
- VBUS cable compensation
- 20-pin QFN (3mm × 4mm) package
Applications
- Automotive USB interface
- Head unit
- Telematics
- Navigation module
- Automotive USB charging ports
- Media interface
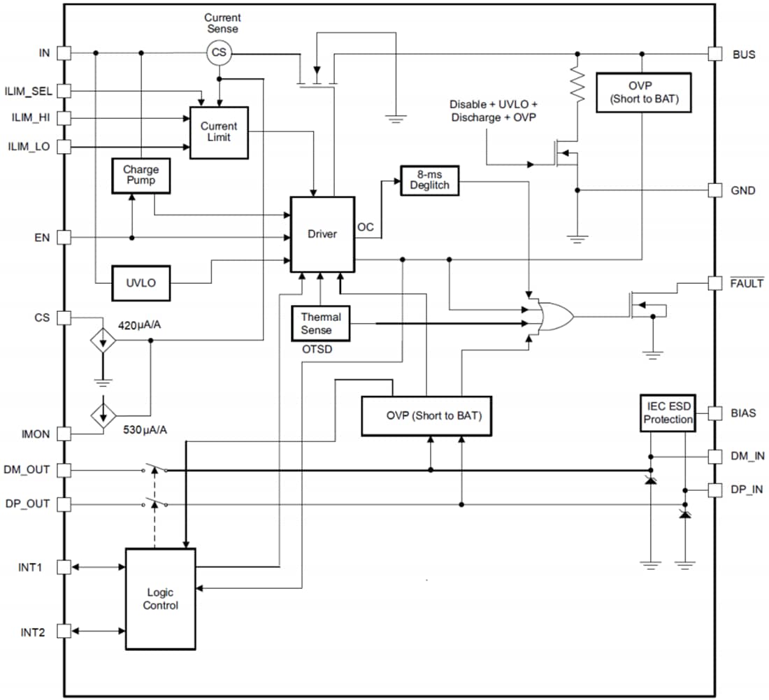
Functional Block Diagram
