Texas Instruments TPS53647 Step-Down Buck Controller

Texas Instruments TPS53647 Step-Down Buck Controller is a high-current, multi-phase, step-down controller. The device offers built-in non-volatile memory (NVM) and PMBus interface. It is fully compatible with the NexFET power stage (CSD95372BQ5MC). The TPS53647 provides 8-bit BOOT voltage selection covering output voltage from 0.5V to 2.5V, with steps as small as 5mV. This is ideal for high current applications with accurate output voltage setting requirements. Advanced control features include D-CAP+ architecture with undershoot reduction (USR) and overshoot reduction (OSR). These provide fast transient response, lowest output capacitance, and high efficiency. Texas Instruments TPS53647 also provides novel phase interleaving strategy and dynamic phase shedding for efficiency improvement at light loads.

Features

  • 8-bit selectable BOOT voltage via pinstrap or NVM: 0.5V to 2.5V (down to 5mV step)
  • 1, 2, 3, or 4-phase operation
  • PMBus system interface for telemetry of voltage, current, power, temperature, and fault conditions
  • 1.8V and 3.3V PMBus bias compatible
  • Fault reporting: output voltage, output current, and temperature
  • Configurable with Non-Volatile Memory (NVM) or resistor Pinstrap
  • 16 levels of programmable OCP with Pinstrap or NVM
  • Fast-transient with DCAP+control
  • Optimized efficiency at light and heavy loads
  • Support pre-bias startup
  • 8 independent levels of Overshoot Reduction (OSR) and Undershoot Reduction (USR)
  • Driverless configuration for efficient high-frequency switching
  • Fully compatible with CSD95372BQ5MC NexFET power stage
  • Accurate and adjustable voltage positioning
  • 300kHz to 1MHz frequency selections with closed-loop frequency control
  • Patented AutoBalance phase balancing
  • Dynamic phase shedding with a programmable current threshold
  • Conversion voltage range: 4.5V to 17V
  • Small, 6mm × 6mm, 40-pin, QFN, PowerPAD package

Applications

  • Application-Specific Integrated Circuit (ASIC) power in the communications equipment
  • High-density power solutions
  • Server power
  • Smart power systems

TI Reference Designs Library

TI Reference Designs - Texas Instruments TPS53647 Step-Down Buck Controller

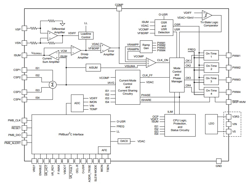
Functional Block Diagram

Block Diagram - Texas Instruments TPS53647 Step-Down Buck Controller
Publicado: 2015-09-10 | Actualizado: 2022-03-11