Texas Instruments TPS544x20 Synchronous Buck Converter

Texas Instruments TPS544x20 synchronous buck converters are 20A and 30A high-performance DC-DC converters with two integrated N-channel NexFET™ power MOSFETs. These devices implement TI's proprietary D-CAP and D-CAP2 mode control providing natural input voltage feed-forward and fast transient response with a precision error amplifier and low-offset differential remote sense amplifier for precise output voltage regulation with minimal external compensation. Monotonic pre-bias capability eliminates concerns about damaging sensitive loads. Integrated PMBus capability provides current, voltage and on-board temperature monitoring, as well as many user-programmable configuration options as well as Adaptive Voltage Scaling (AVS) and output voltage margin testing.

Features

  • PMBus-enabled converters: 20A, 30A
  • 4.5V to 18V input, 0.6V to 5.5V Output
  • 5mm × 7mm LQFN package with 0.5mm pitch
  • Single thermal pad
  • Integrated 4.5mΩ and 2.0mΩ stacked NexFET power stage
  • 600mV, 0.5% reference
  • Lossless, low-side MOSFET current sensing
  • Selectable D-CAP and D-CAP2 mode control
  • Differential remote sensing
  • Monotonic start-up into pre-biased output
  • Output voltage margin and trim
  • Output voltage and output current reporting
  • External temperature monitoring with 2N3904
  • Thermal shutdown
  • Pin compatible 20A, 30A converters
  • Programmable via PMBus
    • Overcurrent protection
    • UVLO, soft-start
    • PGOOD, OV, UV, OT levels
    • Fault responses
    • Turn-on and turn-off delays

Applications

  • Test and instrumentation
  • Ethernet switches, optical switches, routers, base stations
  • Servers
  • Enterprise storage SSD
  • High-density power solutions

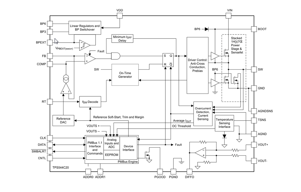
Block Diagram

Block Diagram - Texas Instruments TPS544x20 Synchronous Buck Converter
Publicado: 2014-08-21 | Actualizado: 2022-03-11