Texas Instruments TPS62843 Ultra-Low IQ Step-Down Converter

Texas Instruments TPS62843 Ultra-Low IQ Step-Down Converter is a high-efficiency step-down converter with ultra-low operating quiescent current of typically 275nA. The device features a 4nA shutdown (typical) current when disabled. The device uses DCS-Control with a low and RF-friendly output voltage ripple to power radios.

The Texas Instruments TPS62843 operates with a typical switching frequency of 1.5MHz and extends a high efficiency at light-load down to 100µA load current and below. Eighteen pre-defined output voltages can be selected by connecting a resistor to the VSET pin, making the family usable across various applications with a minimum set of passive components.

Features

  • 1.8V to 5.5V input voltage range
  • 0.4V to 3.6V output voltage range
  • 275nA typical quiescent current
  • 600mA output current
  • 1% output voltage accuracy
  • 4nA typical shutdown current
  • Output discharge
  • VSET pin-selectable output voltage through a single resistor
    • TPS628436: 0.4V to 0.8V
    • TPS628437: 0.8V to 1.8V
    • TPS628438: 1.8V to 3.6V
  • Optimized for small passive components
    • 1µH inductor
    • Down to 4.7µF COUT
  • Low output voltage ripple in power save mode
  • RF-friendly and fast transient DCS-Control
  • Automatic transition to no ripple 100% mode
  • 0603-inductor and 0402-capacitor size supported
  • Tiny 6-pin, 0.35mm pitch WCSP package with 0.84mm2 size
  • Pin-to-pin compatible to the TPS6280x family (1A)

Applications

  • Wearable electronics
  • Headsets, headphones, and earbuds
  • Mobile phones
  • Medical sensor patches
  • Hearing aid

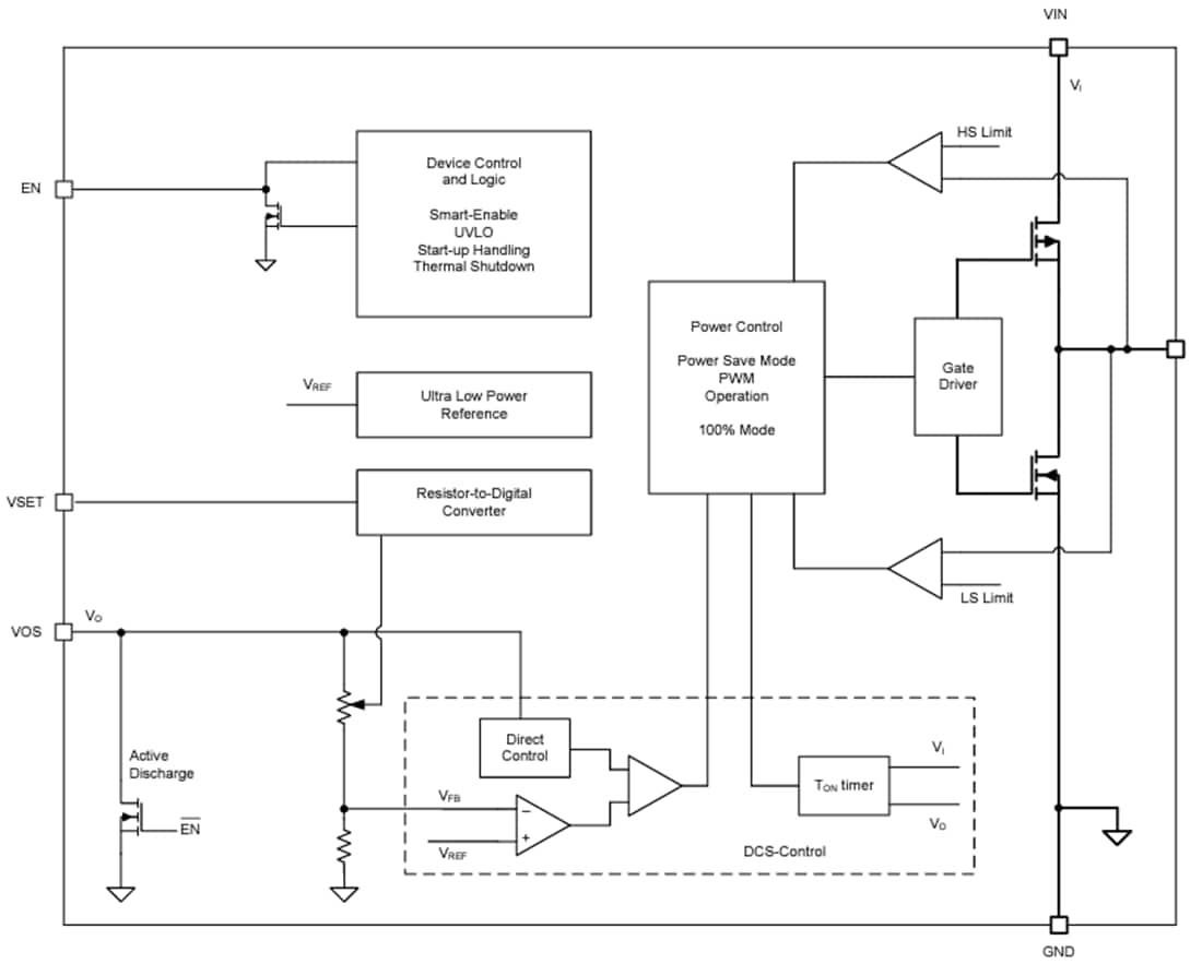
Functional Block Diagram

Block Diagram - Texas Instruments TPS62843 Ultra-Low IQ Step-Down Converter
Publicado: 2023-08-22 | Actualizado: 2024-04-24