Texas Instruments TPS62933/TPS62932 Buck Converters

Texas Instruments TPS62933/TPS62932 Buck Converters are high-efficiency, easy-to-use synchronous buck converters with a wide input voltage range of 3.8V to 30V. The devices support up to 3A (TPS62933) or 2A (TPS62932) continuous output current and 0.8V to 22V output voltage.

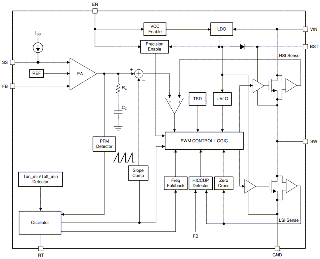
The device employs a fixed-frequency peak current control mode for fast transient response and good line and load regulation. The optimized internal loop compensation eliminates external compensation components. Pulse frequency modulation (PFM) mode maximizes the light load efficiency. The ULQ (ultra-low quiescent) feature is highly beneficial for extended battery life in low-power operation. The switching frequency can be set by the configuration of the RT pin in the range of 200kHz to 2.2MHz, which allows the user to optimize system efficiency, solution size, and bandwidth. The external capacitor can adjust the soft-start time at the SS pin, minimizing the inrush current when driving a large capacitive load. This device also has a frequency spread spectrum feature, which helps with lowering EMI noise.

The Texas Instruments TPS62933/TPS62932 are in a small SOT583 (1.6mm × 2.1mm) package with a 0.5mm pin pitch and an optimized pinout for easy PCB layout and good EMI performance.

Features

  • Ease of use and small solution size
    • Peak current control mode with internal compensation
    • Pulse frequency modulation (PFM) for high light-load efficiency
    • Adjustable soft-start time
    • 200kHz to 2.2MHz selectable frequency
    • EMI friendly with frequency spread spectrum
    • Support start-up with pre-biased output
    • Cycle-by-cycle OC limit for both high-side and low-side MOSFETs
    • Non-latched protections for OTP, OCP, OVP, UVP, and UVLO
    • 1.6mm × 2.1mm SOT583
  • Configured for a wide range of applications
    • 3.8V to 30V input voltage range
    • 0.8V to 22V output voltage range
    • 12µA (typical) ultra-low quiescent current
    • Integrated 76mΩ and 32mΩ MOSFETs
    • 0.8V ± 1% reference voltage
    • Maximum 98% duty cycle operation
    • Precision EN threshold
    • 3A (TPS62933) and 2A (TPS62932) continuous output current
    • Operating junction temperature: –40°C to 150°C

Applications

  • Building automation, appliances, industrial PC
  • Multifunction printers, enterprise projectors
  • Portable electronics, connected peripherals
  • Smart speakers, monitors
  • Distributed power systems with 5V, 12V, 19V, 24V input

Functional Block Diagram

Block Diagram - Texas Instruments TPS62933/TPS62932 Buck Converters
Publicado: 2022-04-08 | Actualizado: 2023-10-23