Texas Instruments TPS6508700 Power Management IC (PMIC)

Texas Instruments TPS6508700 Power Management IC (PMIC) is a single-chip PMIC designed for the AMD™ Family 17h Models 10h-1Fh processors targeted for notebooks and all-in-one desktops. The device offers an input range from 5.6V to 21V, enabling use in various applications. The Texas Instruments TPS6508700 is well suited for NVDC and non-NVDC power architecture using 2S, 3S, or 4S Li-Ion battery packs. The D-CAP2™ and DCS-Control™ high-frequency voltage regulators use small inductors and capacitors to achieve a small solution size. The D-CAP2 and DCS-Control topologies have excellent transient response performance, which is optimal for processor core and system memory rails with fast load switching. An I2C interface allows simple control by an embedded controller (EC) or a system-on-chip (SoC).

Features

  • Wide VIN range from 5.6V to 21V
  • Three variable-output voltage synchronous step-down controllers with DCAP2™ topology
    • Scalable output current using external FETs with selectable current limit
    • I2C Dynamic Voltage Scaling (DVS) control for BUCK2 and BUCK6, external feedback for BUCK1
  • Three variable-output voltage synchronous step-down converters with DCS-control topology and I2C DVS capabilities
    • VIN range from 4.5V to 5.5V
    • VOUT range from 0.425V to 3.575V
    • Up to 3A of output current
  • Three LDO regulators with adjustable output voltage
    • LDOA1: I2C-selectable output voltage from 1.35V to 3.3V for up to 200mA of output current
    • LDOA2 and LDOA3: I2C-selectable output voltage from 0.7V to 1.5V for up to 600mA of output current
  • LDO with BUCK6 as an input voltage
  • Three load switches with slew rate control
    • Up to 300mA of output current with a voltage drop of less than 1.5% of nominal input voltage
    • RDSON < 96mΩ at an input voltage of 1.8V
  • 5V fixed-output voltage LDO (LDO5)
    • Power supply for gate drivers of SMPS and LDOA1
    • Automatic switch to 5V buck for higher efficiency
  • Built-in sequencing by factory OTP programming
    • CTL1, CTL4, and CTL5 used for G3’, G3, S5, and S0 state selection
    • GPO1 and GPO2 used for PG_S0 and PG_S5
    • Open-drain interrupt output pin
  • I2C interface supports
    • Standard mode (100kHz)
    • Fast mode (400kHz)
    • Fast mode plus (1MHz)

Applications

  • 2, 3, or 4-series cell Li-Ion battery-powered products (NVDC or Non-NVDC)
  • Wall-powered designs, particularly from 12V Supply
  • Tablet, ultrabook, and notebook computers
  • Mobile PCs and mobile internet devices

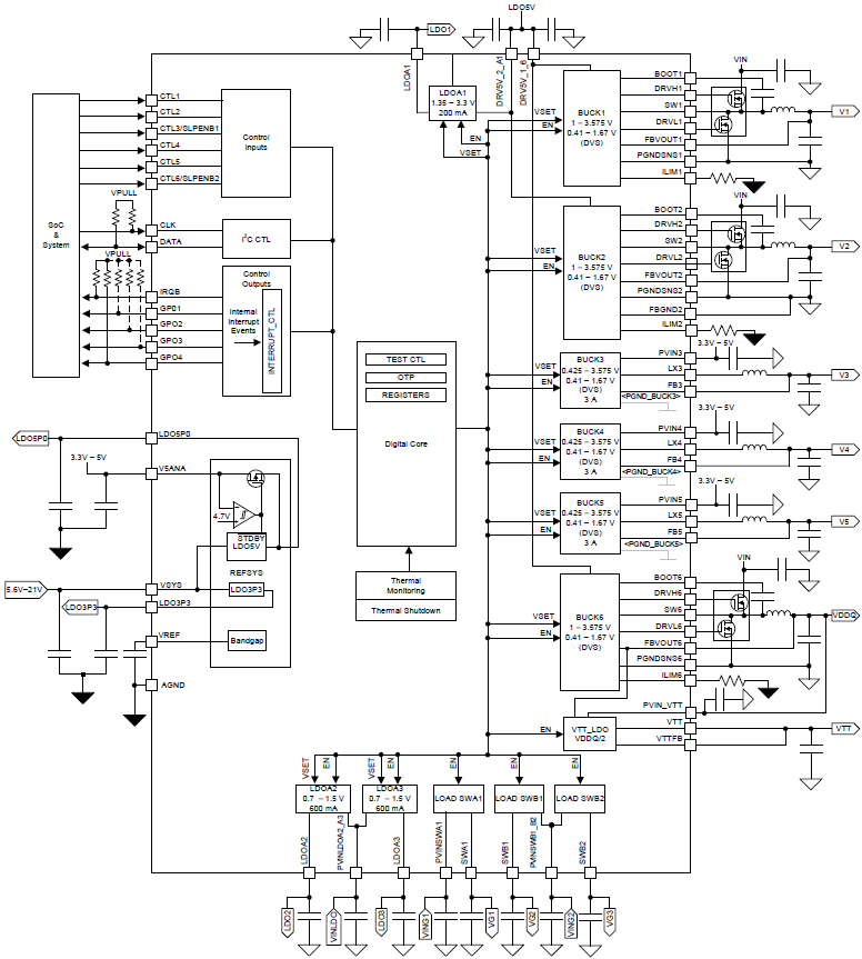
Functional Block Diagram

Block Diagram - Texas Instruments TPS6508700 Power Management IC (PMIC)
Publicado: 2018-06-20 | Actualizado: 2023-03-01