Texas Instruments TXU0104/TXU0104-Q1 Unidirectional Level Shifters
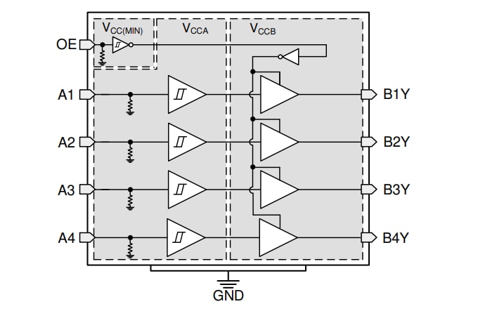
Texas Instruments TXU0104/TXU0104-Q1 Unidirectional Level Shifters are 4-bit, dual-supply noninverting fixed direction voltage level translation devices. The TXU0104-Q1 Level Shifters are AEC-Q100 qualified for automotive applications.The TI TXU0104/TXU0104-Q1 Unidirectional Level Shifters Ax pins are referenced to the VCCA logic level. The OE pin can be referenced to either VCCA or VCCB logic levels, and Bx pins are referenced to VCCB logic levels. Both the A port and B port can accept input voltages ranging from 1.1V to 5.5V. Fixed direction data transmission can occur from A to B or B to A when OE is set too high in reference to either supply. When OE is set to low, all output pins are in the high-impedance state.
The TXU0104/TXU0104-Q1 is available in a 3.00mm × 2.50mm VQFN-14 or 5.00mm × 4.40mm TSSOP-14 package.
Features
- AEC-Q100 qualified for automotive applications (TXU0104-Q1)
- Fully configurable dual-rail design allows each port to operate from 1.1V to 5.5V
- Up to 200Mbps support for 3.3V to 5.0V
- Schmitt-trigger inputs allow for slow and noisy inputs
- Inputs with integrated static pull-down resistors prevent channels from floating
- High drive strength (up to 12mA at 5V)
- Low power consumption
- 2.5µA maximum (25°C) (TXU0104)
- 3µA maximum (25°C) (TXU0104-Q1)
- 6µA maximum (–40°C to 125°C)
- VCC isolation and VCC disconnect (Ioff-float) feature
- If either VCC input is <100 mV or disconnected, all outputs are disabled and become high-impedance
- Ioff supports partial-power-down mode operation
- Control logic (OE) with VCC (MIN) circuitry allows for control from either A or B port
- Pinout compatible with TXB family level shifters
- Available in other variants that support common applications: TXU0204, TXU0204-Q1, TXU0304, TXU0304-Q1
- Operating temperature from –40°C to +125°C
- Latch-up performance exceeds 100mA per JESD 78, class II
- ESD protection exceeds JESD 22
- 2500V human-body model
- 1500V charged-device model
Applications
- Eliminate slow or noisy input signals
- Driving indicator LEDs or buzzers
- Debouncing a mechanical switch
- General-purpose I/O level shifting
- Push-pull level shifting (UART, SPI, JTAG, and more)
Datasheets
Functional Block Diagram
Publicado: 2021-07-13
| Actualizado: 2022-04-28
