Torex Semiconductor XCL239/XCL240 Step-Down Micro DC/DC Converters
Torex Semiconductor XCL239/XCL240 Step-Down Micro DC/DC Converters are 1.0A synchronous devices with an integrated inductor and control IC in a tiny 2.5mm x 2.0mm x 1.04mm (LxWxH) package. An internal coil simplifies the circuit and minimizes noise and other operational troubles due to the circuit wiring. The output voltage is internally set from 0.8V to 3.6V in 0.05V increments.The Torex Semiconductor XCL239 and XCL240 devices feature HiSAT-COT® control, a proprietary high-speed transient response technology for DC/DC converters that minimizes output voltage during load fluctuations. It is ideal for applications with sizeable instantaneous load fluctuations, such as FPGAs and equipment that require a stable output voltage.
Features
- 2.5V to 5.5V input voltage range
- Output voltage ranges
- 0.80V to 1.00V (±20mV)
- 1.05V to 3.60V (±2.0%)
- 1.0A output current
- 3.0MHz oscillation frequency
- 90% efficiency (VIN=3.8V, VOUT=1.8V, IOUT=200mA)
- 25μA quiescent current (XCL240)
- Control methods
- HiSAT-COT control
- PWM control (XCL239)
- PWM/PFM auto (XCL240)
- Ceramic input/output capacitor
- Protection functions
- Thermal shutdown
- Current limit
- Short protection
- Functions
- Soft-start
- UVLO
- CL discharge
- -40°C to +105°C operating ambient temperature range
- CL-2025-02 package, 2.5mm x 2.0mm x 1.04mm
- Lead-free and RoHS-compliant
- Green operation compatible
Applications
- Communication equipment and modules (BLUETOOTH®/Wi-Fi/GPS etc.)
- Power supplies for MCU/FPGA/ASIC (POL power supplies)
- Smartphones and mobile phones
- DSC and camcorders
- Portable game consoles
- Wearable devices
- Active cables and active optical cables
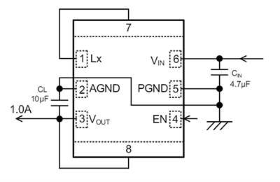
Typical Application Circuit
Block Diagram
Publicado: 2024-07-02
| Actualizado: 2024-07-15
