Vishay Optically Isolated MOSFET Drivers

Vishay Optically Isolated MOSFET Drivers provide the voltage required to drive the gate of a low-voltage MOSFET. The gate voltage is generated by photovoltaic cells, and no power supply is needed on the output side. This simplifies designs when using low-voltage MOSFETS. The single channel VOM1271T provides 8.4 V output voltage with an input forward current of just 10mA. The dual channel VO1263AACTR provides 14.5V output voltage.

Features

  • VOM1271T:
    • Open circuit voltage of 8.4V typical with IF=10mA
    • Short circuit current of of 15µA typical
    • Isolation voltage 3750VRMS
    • Turn-on time 53µs, Turn-off time 24µs
    • No VCC on the output side
    • Gate voltage generated solely by photovoltaic cells
    • Small and SOP-4 package
    • Automotive AEC-Q102 qualified option
  • VOD3120AB-T:
    • 2.5A minimum peak output current
    • Operating voltage of 15V to 30V
    • Isolation voltage 5300VRMS
    • Turn-on time 35µs, Turn-off time 150µs
  • VO1263AACTR:
    • Dual channel
    • Open circuit voltage of 14.7V typical with IF= 10mA
    • Open circuit voltage of 15.2V typical with IF= 30mA
    • Short circuit current of 15µA typical with IF= 10mA
    • Isolation voltage 5300VRMS
    • Turn-on time 35µs, Turn-off time 150µs

Block Diagram

Block Diagram - Vishay Optically Isolated MOSFET Drivers

VOM1271T Application Diagram

Application Circuit Diagram - Vishay Optically Isolated MOSFET Drivers

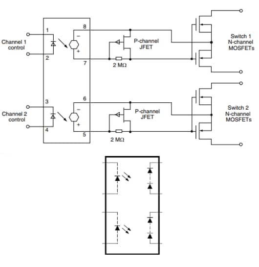
VO1263AACTR Application Diagram

Application Circuit Diagram - Vishay Optically Isolated MOSFET Drivers

VOD3120AB-T Application Diagram

Application Circuit Diagram - Vishay Optically Isolated MOSFET Drivers
Publicado: 2023-08-18 | Actualizado: 2024-08-13