NXP Semiconductors PCA9957 24-Channel Constant Current LED Driver

NXP Semiconductors PCA9957 24-Channel Constant Current LED Driver is optimized for dimming and blinking full-color RGBA (Red/Green/Blue/Amber) LEDs, making it ideal for use for status and fun light displays. The PCA9957 features SPI-compatible 4-wire serial bus control and can drive 24 LED outputs, each individually controlled. 

Each LED output has an 8-bit resolution (256 steps) fixed frequency individual pulse-width modulation (PWM) controller that operates at 31.25kHz, and a duty cycle that is adjustable from 0% to 100%, allowing the LED to be set to a specific brightness value. An additional 8-bit resolution (256 steps) group PWM controller has a fixed frequency of 122Hz and an adjustable frequency between 15Hz to once every 16.8 seconds with a duty cycle that is adjustable from 0% to 99.6%. This is used to dim or blink all LEDs with the same value.

Each LED output can be off, on (no PWM control), set at its individual PWM controller value, or at both individual and group PWM controller values. The PCA9957 operates with a supply voltage range of 2.7V to 5.5V and the constant current sink LED outputs allow up to 5V for the LED supply. The output peak current is adjustable with an 8-bit linear DAC (Digital-to-Analog Converter) from 125μA to 31.875mA with REXT = 2kΩ.

This PCA9957 has built-in open, short load, and overtemperature detection circuitry. The error information from the corresponding register can be read via the 4-wire serial bus. Additionally, a thermal shutdown feature protects the device when an internal junction temperature exceeds the process limit. This device is designed to use a 4-wire read/write serial bus with a higher data clock frequency (up to 10MHz).

The PCA9957 LED Driver is offered in a compact 5mm2 Heatsink Very-thin Quad Flat-Pack No-Lead (HVQFN) package. 

Features

  • 24 LED drivers, with output programmable at
    • Off
    • On
    • 8 bits programmable LED brightness
    • 8 bits programmable group dimming/blinking mixed with individual LED brightness
    • Programmable LED output delay to reduce EMI and surge currents
  • Gradation control for all channels
    • Each channel can be assigned to one of six gradation control groups
    • Programmable gradation time and rate for ramp-up and/or ramp-down operations
    • Programmable step time (6-bit) from 0.5ms (minimum) to 512ms (maximum)
    • Programmable hold-on time after ramp-up and hold-off time after ramp-down (3-bit) from 0s to 6s
    • Programmable final ramp-up and hold-on current
    • Programmable brightness current output adjustment, either linear or exponential curve
  • 24 constant current output channels can sink up to 32mA, and tolerate up to 5.5V when OFF
  • Output current adjusted through an external resistor (REXT input)
  • Output current accuracy
    • ±6.5% absolute accuracy with 30mA output current
    • Maximum ±4% channel-to-channel variation
    • Maximum ±6% device-to-device variation
  • Open/short load/overtemperature detection mode to detect individual LED errors
  • 4-wire serial bus interface with 10MHz data clock rate
  • 256-step (8-bit) linear programmable brightness per LED output varying from fully off (default) to maximum brightness fully ON using a 31.25kHz PWM signal
  • 256-step group brightness control allows general dimming (using a 122Hz PWM signal) from fully off to maximum brightness (default)
  • 256-step group blinking with frequency programmable from 15Hz to 16.8s and duty cycle from 0% to 99.6%
  • Active LOW Output Enable (OE) input pin allows for hardware blinking and dimming of the LEDs
  • 8MHz internal oscillator requires no external components
  • Internal power-on reset
  • No glitch on LED outputs on power-up
  • Low standby current
  • Operating power supply voltage (VDD) range of 2.7V to 5.5V
  • 5.5V tolerant inputs on non-LED pins
  • Latch-up performance exceeds 100mA per JESD 78, Class II
  • ESD protection exceeds
    • 2kV Human-Body Model (A114-A)
    • 1kV Charged-Device Model (C101)
  • -40°C to +85°C operating temperature range
  • HVQFN-40 package
  • 5.0mm x 5.0mm x 0.85 dimensions

Applications

  • RGB or RGBA LED drivers
  • LED status information
  • LED displays
  • LCD backlights
  • Smart speakers
  • VR headsets
  • Portable displays
  • Portable fun lighting
  • Keypad backlights
  • Fade-in and fade-out for breathlight control

Documents

Videos

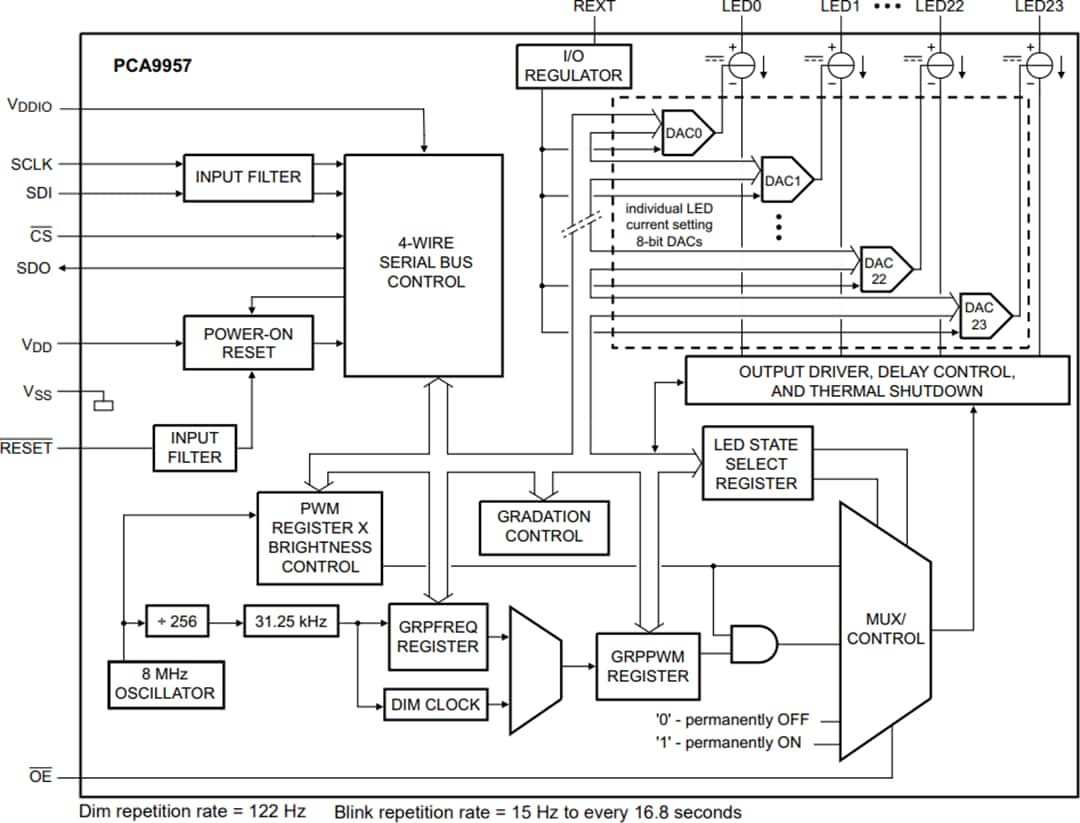
Block Diagram

Block Diagram - NXP Semiconductors PCA9957 24-Channel Constant Current LED Driver

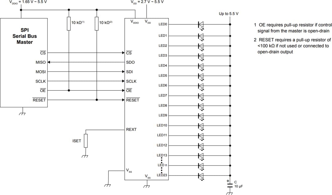
Typical Application Circuit

Application Circuit Diagram - NXP Semiconductors PCA9957 24-Channel Constant Current LED Driver
Publicado: 2020-03-06 | Actualizado: 2024-10-29